nocco
EV & Forklift Parts
CURTIS Programmable DC Series Motor Controller
Model: 1204M-4201 24V / 36V - 275A |
Lowest Unit Price 236.95 USD
|




1204M-4201 is a controller with "24V Working Voltage" option in the "1204M/1205M Series" of CURTIS, ideal for replacing an old CURTIS 1204 controller (1204-004, 1204-036 or other 1204 controllers). With the original controller model number provided by the buyer, the seller could identify more detailed information like "voltage", "current" and "throttle type". Then the controller will be programmed to the same setting as the original one of the buyer.
We supply also the1204M-4201 controller assemblage with throttle (foot pedal)
Overview
CURTIS 1204M programmable series motor controllers are designed to provide smooth, silent, cost-effective control of motor speed and torque. 1204M controllers are updated versions of the popular 1204 controllers, with the added functionality of being programmable—via the CURTIS Model1313-4331 Handheld Programmeror1314 PC Programming Station. This means the controllers can be tailored to the needs of specific applications. In addition to configuration flexibility, use of the programmer offers diagnostic and test capability.
CURTIS 1204M controllers are the ideal solution for a variety of electric vehicle applications, including industrial trucks, personnel carriers, material handing vehicles, golf cars, etc.
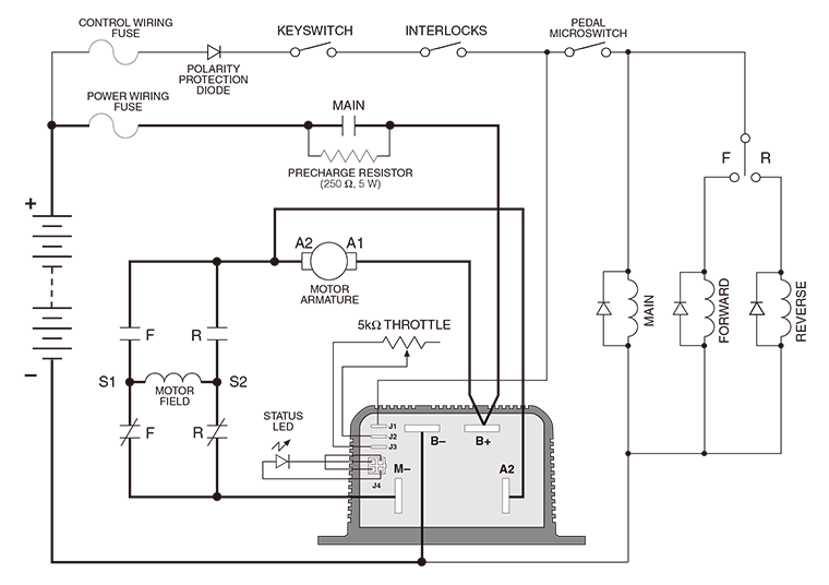
Wiring Diagram:
By default, the J5 terminal of new 1204M controllers is not activated. The controller wiring is same to the old 1204M controllers without J5 terminal.
If you want to activate the J5 terminal for using the Rev Input / Main Driver functions, please see the page 7 and 8 of 1204M / 1205M controller manual (PDF format).
Key Features
- CURTIS Model: 1204M-4201
- Norminal Battery Voltage (Volts): 36V (default setting) or 24V
- 2 Minute Current Rating (amps): 275
- 5 Minute Current Rating (amps): 200
- 1 Hour Current Rating (amps): 125
- Plug Braking (A2 Busbar): Yes
- PWM operating frequency: 15.6 kHz
- Electrical isolation to heatsink (min.): 500 VAC
- KSI input current (no contactors engaged):
- 70 mA without programmer
- 130 mA with programmer
- Logic input current: < 2 mA
- Status LED output current (max.): < 2 mA
- Ten throttle types can be used with these controllers:
- Type 0: 2-wire potentiometer, 0–5kΩ
- Type 1: 2-wire potentiometer, 5kΩ–0
- Type 2: single-ended 0–5V input
- Type 3: 2-wire potentiometer, 4.6kΩ–0
- Type 4: 2-wire potentiometer, 5.5kΩ–0
- Type 5: 2-wire potentiometer, 1kΩ–0
- Type 6: ITS input
- Type 7: single-ended 6.3–10.6 V input
- Type 8: single-ended 6–12 V input
- Type 9: single-ended 3-wire potentiometer, 0–5kΩ
- Operating ambient temperature range: -40°C to 50°C
- Storage ambient temperature range: -40°C to 85°C
- Dimensions: L173xW146xH77 mm
- Net Weight: 2.3 kg
- Package environmental rating: ISTA 2A; electronics sealed to IP54
- Regulatory compliance: EN 12895 and EN 61000
Features include:
- High-frequency switching and ultra-low voltage drops provide high efficiency and silent operation.
- Simple mounting and wiring with push-on connectors for control signals and plated solid copper buses for power connections.
- Compatible with either a two-wire potentiometer or a voltage throttle.
- Throttle fault protection circuitry disables controller if throttle wires become open.
- High pedal disable feature prevents controller operation if key is turned on while throttle is applied.
- Plug braking diode internal to controller.
- Thermal protection and compensation circuit provides constant current limit over operating range and during under/over temperature cutback; no sudden loss of power under any thermal conditions.
- Undervoltage cutback function protects against low battery voltage, including low voltage caused by external loads.
- Easily programmable through the CURTIS Model 1313-4331 Handheld Programmer or 1314 PC Programming Station.
- Rugged anodized aluminum extruded housing meets IP65 environmental sealing standards for use in harsh environments.



